最大工作压力:120-psi (8.3-bar)
可通过最大悬浮固体直径:1/4-in.(6.4-mm)
最大干吸高度:ft(m) 14 (4.27)
噪音等级:70PSI 60 循环/分钟 77.7 db(A)" />
ARO气动隔膜泵非金属型泵型号:
1/4”分别有:PD02P-APS-PTA、PD02P-APS-PTT、PD02P-ADS-DTT、PD02P-AKS-KTT、
1/2”分别有:66605J-388、66605J-3EB、66605J-344、66605H-244、66605K-444、66605H-244、666053-344 、666053-3EB
1”分别有:6661A3-3EB-C、6661A3-344-C、6661B3-344-C、6661A4-444-C、6661B4-444-C、
1-1/2”分别有:6661T3-3EB-C、6661T3-344-C、6661U3-344-C、6661U4-444-C、
2”分别有:6662A3-3EB-C、6662A3-344-C、6662B3-344-C、6662B4-444-C
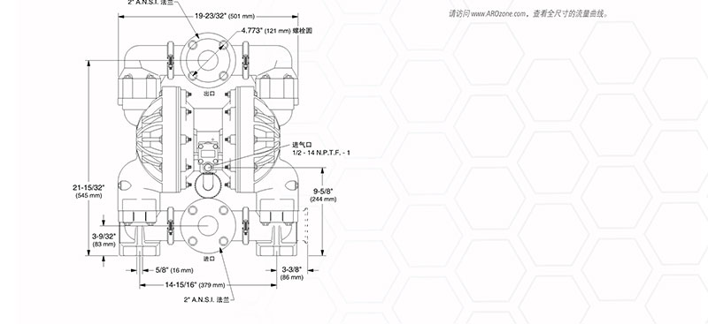
尺寸及流量曲线图:


ARO气动隔膜泵非金属型泵型号大全:
英格索兰气动隔膜泵适用场合及优点:
1、适用于危险物料的输送,如贵重液体、高风险、高腐蚀性及其他危险物料的输送。该泵的气动隔膜泵没有动态密封结构,它与外界完全隔离,不泄漏;
2、适用于在易燃易爆环境中各种液体的传输,因为在罗罗的气动隔膜泵不用于产生电火花而不产生热量。
3、适用于贵重液体、高风险、高腐蚀性等危险物料的运输,由于英格索兰隔膜泵的固定密封结构,完全与外界隔离,无泄漏;
4、适用于油田、矿山、建筑工地、固体废水、无堵塞、无过载、无泄漏等危险工作条件。
5、适用于无基础、小面积、灵活易安装、经济适用的便携式、便携场合输送各类物料。
6、适用于高纯度和高清洁的物料,因为不需要润滑,不需要润滑,不需要润滑剂来污染物料。如医药中间体、产品、实验室代理等。
7、适用于不稳定化学特性的流体输送,因其极低的剪切力。如输送光敏材料、絮凝体等。
8、适用于板架和翼式压滤机的喂料泵。
性能优点:
1、最大流量+最小脉动和气体消耗=最佳性能;
2、螺栓结构连接,材料选择范围宽,使流体的相容性和防泄漏达到最大;
3、模块化结构,减少零件的数量,使维护更容易,减少维护时间和成本;
4、没有火花可以在接地后产生,工作中没有产生热量,机器不会过热;
5、易于操作,英格尔-兰德气动隔膜泵可以自我吸入,它可以调节压力或流体压力以满足不同的流量要求。
6、材料的剪切力很低:工作中的抽吸力是怎样产生的,所以材料的搅动是最小的,适合于不稳定材料的传递。
7、英格索兰气动隔膜泵有一个独特的设计空气阀,没有死点。排气口不会结冰。
代理商介绍:
苏州瑞晟茂环保设备有限公司是美国英格索兰ARO气动隔膜泵公司在中国正式授权的代理商。ARO英格索兰气动隔膜泵有不锈钢、铝合金、塑料及纯特氟龙等材质的泵体,特氟龙,山道橡胶和一般橡胶等膜片,口径范围从2分至3寸;流量范围18升至1040升每分钟。有关的技术参数及价格,欢迎广大客户致电0512-57664099
代理证书:
公司优势:
1、代理英格索兰气动隔膜泵7年,从不卖假货,让您远离行业大坑
2、常规产品库存足,型号品类齐全,满足客户应急使用
3、公司自成立以来65%的客户都来自老客户转介绍
4、我们的售后连续5年没有客户投诉
5、发货时间快同行2倍
联系人:廖先生
手 机:13812899386
邮 箱:krspcb@163.com
公 司:苏州瑞晟茂环保设备有限公司
地 址:江苏省苏州市昆山市周市镇康辉路388号1号厂房4楼